Connecting Protherm Tiger Condens boiler to Netatmo Thermostat

milanko.urbanik

Hello friends, I have Protherm Tiger Condens boiler and would like to connect Netatmo thermostat. Did anyone of you connect the thermostat? Would you mind sharing a picture of how the cables are connected into the boiler itself?

1

Comments

3 comments

  • Comment author
    GEORGzer Community moderator
    • Edited

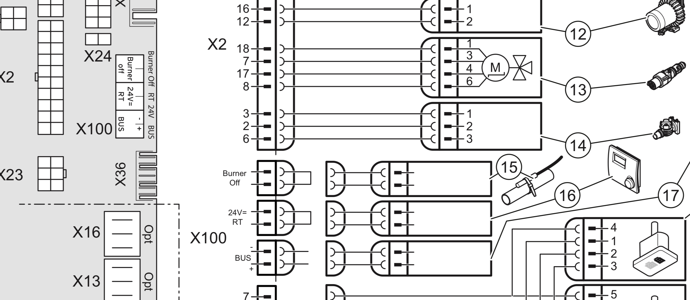
    On page 57 of this manual you can see the mainboard of your boiler.
    https://www.protherm.cz/files/downloads/navody-k-instalaci/ni-tiger-condens-flamefit-2043908.pdf

    The Netatmo Thermostat has to be connected to the terminals marked „24V RT“ in the „x100“ section, labeled „ 16 Prostorový termostat 24VD“ in the manual. If there is a bridge (cable) pre-installed, remove it first.

     

    Connect the Relais Black and Grey wires to those terminals, polarity not important.
    The Brown and Blue wires have to be added to you boiler‘s power supply, matching the colors (X1 terminal). If the X13 terminals are empty, you could try checking if those supply constant power as well.

    0
  • Comment author
    milanko.urbanik

    This is extremely useful for a novice like me, thank you so much! Last question I have, and apologies if it is a dumb question, on the cable I have a mark 230V, but the X100 schema of the boiler indicates 24V=RT. Is it fine to connect the 230V cable to 24V input?

    0
  • Comment author
    GEORGzer Community moderator

    If you‘re referring to the diameter of the wires then that doesn‘t matter.

    The black and grey wires of the Netatmo Relais never carry any current at all. When heating is requested, those wires get bridged together internally, that‘s it.

    0

Please sign in to leave a comment.